Pemancar tekanan pembezaan kapasitif ialah peranti penting dalam instrumentasi industri moden dan automasi proses . Mereka menggunakan teknologi penderiaan kapasitif termaju untuk mengukur perbezaan, tolok dan tekanan mutlak dengan ketepatan tinggi dan kestabilan jangka panjang. Tidak seperti penderia tekanan mekanikal tradisional, pemancar ini tidak mempunyai mekanisme penghantaran mekanikal yang bergerak , menjadikannya padat, tahan lama dan sangat tahan terhadap getaran. Pelarasan sifar dan rentang bebas memastikan ketepatan tanpa campur tangan bersama, menyumbang kepada penggunaan meluasnya merentas industri.

Di China, Banyak bandar telah memperkenalkan rangkaian pembuatan daripada syarikat Amerika Rosemount , menghasilkan pelbagai model untuk tekanan pembezaan , tekanan tolok dan pengukuran tekanan mutlak . Sesetengah unit juga termasuk pengekstrakan punca kuasa dua untuk pengukuran aliran , bersama-sama dengan versi yang direka untuk tekanan statik tinggi dan aplikasi tekanan perbezaan mikro .
Pemancar tekanan pembezaan kapasitif biasanya terdiri daripada dua unit utama: bahagian ukuran dan bahagian penukaran/penguatan , seperti yang ditunjukkan dalam Rajah 1 .

Rajah 1: Rajah Litar Pemancar Tekanan Beza Kapasitif
1—Pengayun 2—Penderia kapasitif 3—Demodulator 4—Pelarasan julat 5—Penghad semasa
6—Penguat kuasa 7—Penguat kendalian 8—Pelarasan sifar dan migrasi sifar
9—Penguat kawalan ayunan 10—Punca voltan rujukan 11—Pengatur voltan 12—Perlindungan pembalikan kekutuban
Sensor kapasitif menukarkan tekanan pembezaan yang diukur (ΔP) kepada perubahan dalam kapasiti. Kapasitor pembezaan tinggi dan rendah, C H dan C L , teruja oleh pengayun frekuensi tinggi . Variasi arus yang terhasil didemodulasi untuk menghasilkan isyarat pembezaan ( i L − i H ) dan isyarat mod biasa ( i L + i H ).
Isyarat pembezaan dibandingkan dengan isyarat maklum balas ( I f ), kemudian dikuatkan dan ditukar kepada output DC 4-20mA . Arus keluaran ini mengalir melalui rintangan beban dan rangkaian maklum balas, mengekalkan hubungan linear antara isyarat pembezaan dan arus keluaran.
Penderia kapasitif terdiri daripada plat elektrod tetap dan diafragma pengukur boleh alih, membentuk dua kapasitor ( C H dan C L ) yang disambungkan ke ruang tekanan tinggi dan tekanan rendah. Apabila tekanan pembezaan digunakan, diafragma membelok, menukar kapasitansi. Pengayun frekuensi tinggi (biasanya 32 kHz) menukarkan perubahan kapasiti ini kepada variasi semasa, yang dikuatkan dan diperbetulkan untuk menjana isyarat DC 4-20 mA berkadar dengan tekanan pembezaan yang dikenakan ΔP.
Apabila pemancar digunakan untuk pengukuran aliran —seperti dengan plat orifis, tiub venturi, atau muncung —isyarat dihantar melalui pengekstrak punca kuasa dua untuk mendapatkan hubungan linear dengan kadar aliran. Peranti ini beroperasi pada sistem dua wayar 24 V DC , menyokong voltan bekalan dari 12–45 V DC dan rintangan beban sehingga 600 Ω .
Penderia tekanan pembezaan kapasitif dua ruang ditunjukkan dalam Rajah 2 .

Rajah 2: Struktur dua ruang bagi penderia tekanan pembezaan kapasitif
1, 4—Diafragma pengasingan bercorak gelombang; 2, 3—Tas keluli tahan karat; 5—Lapisan kaca; 6—Filem logam; 7—Mengukur diafragma
Dalam struktur ini, filem logam (6) bertindak sebagai elektrod tetap, manakala diafragma pengukur (7) berfungsi sebagai elektrod bergerak. Kedua-dua belah diafragma membentuk dua ruang berasingan yang diisi dengan minyak silikon . Bendalir tak boleh mampat menghantar tekanan pembezaan Δp = p_H − p_L ke permukaan diafragma.
Apabila Δp = 0, kapasitansi pada kedua-dua belah ( C H dan C L ) adalah sama. Apabila Δp ≠ 0, diafragma membelok ke arah bahagian tekanan rendah, menjadikan C L > C H .
Menggunakan kemuatan pembezaan mengurangkan ralat yang disebabkan oleh variasi suhu dalam pemalar dielektrik, dengan itu meningkatkan kepekaan, ketepatan dan kelinearan —faktor penting dalam kawalan proses industri dan pengukuran tekanan .
Apabila Δp ≠ 0, variasi kemuatan digambarkan dalam Rajah 3 .

Rajah 3: Perubahan Kapasitan pada Kedua-dua Bahagian Apabila Tekanan Beza Wujud
Persamaan: 

Untuk diafragma dengan tegangan awal, pesongan adalah berkadar dengan tekanan pembezaan: 
Di sini, K ₁ ialah pemalar struktur bergantung pada kelengkungan diafragma, jarak elektrod, dan tegangan mekanikal. Hubungan ini memastikan bahawa arus keluaran adalah berkadar terus dengan tekanan pembezaan yang digunakan, memberikan ketepatan pengukuran yang sangat baik.
Sensor tekanan kapasitif menukarkan tekanan pembezaan kepada perubahan kapasitans berkadar. Mengukur kemuatan ini memerlukan pengujaan AC frekuensi tinggi , biasanya sekitar 32 kHz .

Rajah 4: Litar Pengayun Rajah 5: Bekalan Kuasa Pengayun
Litar Pengayun (Rajah 4)
Litar ini terdiri daripada belitan (terminal 6, 8 dan 5, 7) dan kapasitor C₂₀ membentuk gelung resonan yang disambungkan kepada transistor VT₁. Perintang bias R₂₉ mentakrifkan titik operasi statik. Kekerapan ditentukan oleh kearuhan L dan kemuatan C.
Bekalan Kuasa Pengayun (Rajah 5)
Memandangkan pengukuran kemuatan bergantung pada voltan AC, voltan pengayun mesti kekal stabil . Gelung kawalan maklum balas negatif secara automatik menstabilkan voltan sambil memastikan amplitud permulaan yang mencukupi.

Seperti yang ditunjukkan dalam Rajah 6 , litar penjanaan arus kapasitif dan rangkaian pembentukan voltan mengekalkan pengujaan yang berterusan.

Rajah 6: Litar Penjanaan Arus Kapasitif dan Litar Pembentukan U ₂ Voltan
Apabila Δp ≠ 0, C_H berkurang dan C_L meningkat, dan jumlah arus melalui kedua-duanya dinyatakan sebagai:

Maklum balas automatik memastikan bahawa I L + I H = K₂ (pemalar), mengekalkan kestabilan voltan dan kepekaan yang konsisten.
Dalam litar penjanaan arus kapasitif: ![]()
![]()
![]()
Menggantikan hubungan terdahulu: 
Jumlah arus keluaran: ![]()
Oleh itu, isyarat keluaran 4-20 mA bagi pemancar tekanan pembezaan kapasitif adalah berkadar terus dengan tekanan pembezaan yang digunakan.
Peranti ini juga menyediakan pelarasan sifar , penentukuran julat , dan perlindungan kekutuban songsang , memastikan operasi yang stabil dan selamat dalam sistem pengukuran tekanan industri .
Pemancar tekanan Siri SH yang dihasilkan oleh silverinstrumens.com digunakan secara meluas pemancar tekanan dua wayar 4-20 mA , direka bentuk untuk persekitaran yang selamat secara intrinsik dan kalis letupan .
Spesifikasi Utama

Rajah 7: Hubungan antara Voltan Bekalan Kuasa dan Rintangan Beban
Apabila voltan bekalan turun naik sebanyak ±1 V, variasi arus keluaran kekal di bawah 0.005%, memastikan kestabilan isyarat dan ketepatan yang tinggi .
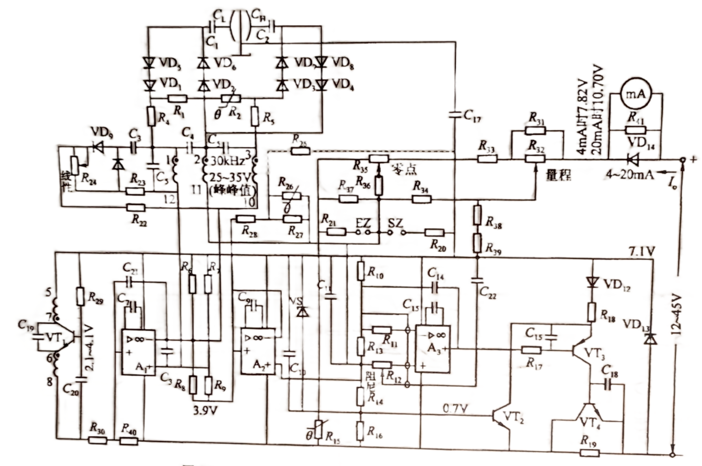
Litar keseluruhan pemancar tekanan pembezaan SHGP/SHDP ditunjukkan dalam Rajah 8

Rajah 8: Reka Bentuk Litar siri SH Model Pemancar Tekanan Kapasitif/DP
Komponen dan Fungsi Utama:
Elemen ini memastikan prestasi yang tepat dan stabil merentas pelbagai keadaan industri, menjadikan Siri SHGP/SHDP sebagai salah satu pemancar tekanan pembezaan kapasitif yang paling boleh dipercayai untuk kawalan proses dan instrumentasi di seluruh dunia.
Pemancar Tekanan Rendah
2025/10/12
Pemancar tekanan rendah: 16-60 mbar. Ketepatan tinggi: ±0.1~0.5% Protokol Hart, ouput 4-20mA. Paparan digital mbar,psi,pa.
VIEW
Sensor Tekanan Seramik
2025/10/12
Sensor tekanan kapasitif seramik. Sensor tahan siram dan lelasan. Output sensor tekanan 4-20mA . Untuk industri pulpa dan kertas.
VIEW
Sensor tekanan kapasitif 3351
2025/10/12
Sensor tekanan kapasitif adalah semua pembinaan yang dikimpal dengan bahan keluli tahan karat. Sensor tekanan semacam ini adalah untuk merasakan tekanan atau tekanan pembezaan melalui pengisian minyak...
VIEW
Pemancar Tekanan Silikon Diffusive SH 308 Series
2025/10/12
Maklumat Umum Pemancar Tekanan Silikon Diffusive Siri SH 308 SH 308 siri Pemancar tekanan silikon difusif memilih komponen sensor tekanan silikon yang diimport, dan ...
VIEW
SHDP / GP DP / Pemancar Tekanan dengan meterai Diafragma Jauh
2025/10/12
Pemancar Tekanan / Tekanan Pembezaan SHDP / GP dengan meterai Diafragma Jauh menyediakan sejenis kaedah pengukuran yang boleh dipercayai untuk mengelakkan medium yang diukur daripada bersentuhan langs...
VIEW
Pemancar Tahap Jenis SHLT
2025/10/12
Pemancar tahap jenis bebibir SHLT (pintar) dapat melakukan pengukuran dan ketumpatan tahap yang tepat untuk semua jenis kontena. Flange flange dan flange diperluas tersedia, flange 3 "atau 4", 1501b a...
VIEW